






CHENGFENG FLOWMETER are among the best in the domestic scale, production, sales, is the most professional manufacturers, production of special non-standard flowmeter has the unique professional custom qualification of non-standard products.Our measurement calibration device by the national examination by relevant institutions.Good quality and high yield, star service selected by CHENGFENG FLOWMETER!
■ Summary
LZB-FL series rotary shunt flow meter is a kind of instrument composed by throttling device(orifice plate) of main pipeline and rotary flow meter(glass tube flowmeter,metal tube flowmeter) of separate pipeline,which can get the main pipeline flow through measuring the separate pipeline flowrate.
■ Features
◆Use the stable small-bore flow meter to measure the large flowrate;
◆Easy read,convenient use and maintenance,compact structure design;
◆When clean or change graduated tube,it is unnecessary to stop the main pipeline flow(equip with stop valve);
◆This series flow meter adopt to the principle of differential pressure and orifice plate machinery principle,can be widely used;
◆Rangeability:5:1
◆Composed with metal tube flowmeter can equip with 4~20mA current signal output.
■ Measuring Range


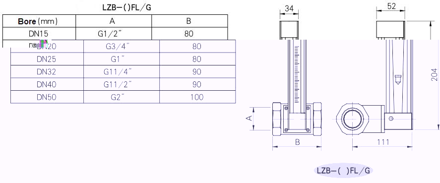
■ Outline Size





■ Type Selection

CHENGFENG FLOWMETER,which is 30 years brand and 30 years of professional, professional selection, professional offer, tally up experience of 30 years production practice, efforts to develop all kinds of flow metering products, according to different customer needs, requirements of different customers equipment, professional custom-made all kinds of non-standard meter products, fully in accordance with the customer to provide parameters and requirements for the customer "tailored", adhere to the "quality first, customer first" the light of policy, to ensure product quality long-term stability and constantly improve, to provide users with high-quality products and perfect service.Ensure the feng instrument factory flow meter for the maximum effect, to the customers bring more convenience and benefits.